Blog
XL4015 5A DC-DC Buck Converter Power Module: Complete Guide for Beginners & Professionals
Introduction
The XL4015 5A DC-DC buck converter power module is a versatile power regulation solution for efficient voltage step-down. It delivers reliable performance in applications like portable instrument power supplies, LCD monitor power systems, and telecom networking equipment. Valuable for both Arduino hobbyists and industrial control engineers, it features a wide input voltage range, high current capacity, and built-in protection. It easily handles most low-to-medium power buck conversions, such as 12V to 5V for IoT and 24V to 12V for automotive electronics.Next, I will take you to have a more comprehensive understanding of the xl4015 5A buck power supply module.
What is the XL4015?
The XL4015 is a fixed-frequency (180KHz) PWM buck DC-DC converter integrated circuit that can drive up to 5A of load current. Manufactured in a TO263-5L package, it requires minimal external components to operate, making it ideal for compact designs. Key traits include a wide input voltage range of 8V to 36V, adjustable output from 1.25V to 32V, and high efficiency up to 96%. It incorporates an internal optimized power MOSFET, frequency compensation, and a fixed oscillator, simplifying circuit design while ensuring stable line and load regulation. Unlike basic linear regulators, the XL4015’s switching architecture minimizes power dissipation, making it suitable for high-current applications where efficiency is critical.
XL4015 vs. XL4016 vs. XL4015E vs. XL4015E1 vs. XL4005: Series Comparison
| Model | Input Voltage Range | Output Current Capacity | Key Features | Distinguishing Traits |
|---|---|---|---|---|
| XL4015 | 8V – 36V | 5A | 180KHz frequency, 96% max efficiency, thermal shutdown, current limit | Standard model for general 5A applications |
| XL4016 | 4.5V – 40V | 6A | Higher current rating, wider input range, 200KHz switching frequency | Upgraded version for heavier loads (e.g., power-hungry industrial devices) |
| XL4015E | 8V – 36V | 5A | Basic version of XL4015, core functionality retained | Cost-effective option for non-critical applications |
| XL4015E1 | 8V – 36V | 5A | RoHS-compliant (lead-free), TO263-5L package | Environmentally friendly variant for regulated markets |
| XL4005 | 4.5V – 28V | 4A | Lower current, compact design, 1MHz high frequency | Ideal for space-constrained low-power projects (e.g., portable gadgets) |
XL4015 Datasheet: Key Parameters
| Parameter | Symbol | Value | Unit |
|---|---|---|---|
| Input Voltage | Vin | -0.3 to 40 | V |
| Feedback Pin Voltage | VFB | -0.3 to Vin | V |
| Output Switch Pin Voltage | VOutput | -0.3 to Vin | V |
| Power Dissipation | PD | Internally limited | mW |
| Thermal Resistance (TO263-5L) (Junction to Ambient, No Heatsink, Free Air) | RJA | 30 | °C/W |
| Operating Junction Temperature | TJ | -40 to 125 | °C |
| Storage Temperature | TSTG | -65 to 150 | °C |
| Lead Temperature (Soldering, 10 sec) | TLEAD | 260 | °C |
| ESD (HBM) | >2000 | V |
If you want to learn more XL4015 details, you can refer to this datasheet:https://easyelecmodule.com/wp-content/uploads/XL4015_datasheet.pdf
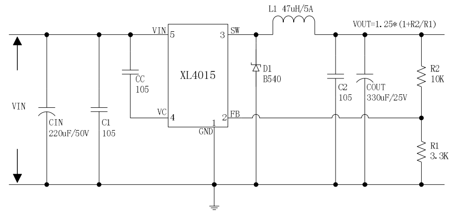
XL4015 Pinout and Schematic
Pin Configurations
| Pin Number | Pin Name | Description |
|---|---|---|
| 1 | GND | Ground Pin. Care must be taken in layout. This pin should be placed outside of the Schottky Diode to output capacitor ground path to prevent switching current spikes from inducing voltage noise into XL4015. |
| 2 | FB | Feedback Pin (FB). Through an external resistor divider network, FB senses the output voltage and regulates it. The feedback threshold voltage is 1.25V. |
| 3 | SW | Power Switch Output Pin (SW). SW is the switch node that supplies power to the output. |
| 4 | VC | Internal Voltage Regulator Bypass Capacity. In typical system application, The VC pin connect a 1uf capacity to VIN. |
| 5 | VIN | Supply Voltage Input Pin. XL4015 operates from a 8V to 36V DC voltage. Bypass Vin to GND with a suitably large capacitor to eliminate noise on the input. |
XL4015 Typical Application Circuit
Core Features of the XL4015 Module
When it comes to efficient power conversion, the XL4015 module stands out with a suite of core features that make it a go-to choice for both hobbyists and professionals. Let’s dive into what makes this module shine.
- Dual Charging Modes for Flexible Power Management
The XL4015 supports Constant Current (CC) and Constant Voltage (CV) charging modes, making it a perfect fit for various scenarios. For instance, if you’re working with lithium batteries, this module lets you complete charging tasks effortlessly.
- Robust Protection for Circuit Safety
If you’re testing circuits or building power systems, the XL4015 has your back. It’s recommended to use a fuse during testing—this simple step limits circuit damage in case of any mistakes during the build process. Additionally, the module comes with built-in protections like overheat protection, short-circuit protection, and current limiting, so you can trust it to run safely.
- User-Friendly Adjustment and Indicators
- Adjustment Potentiometers: There are two 100K potentiometers on the board—one for setting constant current (I-ADJ) and the other for adjusting voltage (V-ADJ). This makes it easy to tweak the output to your exact needs.
- LED Indicators: Three LEDs keep you informed. The LED near the input connector shows the module is in CC mode, while the other two indicate battery charging status—one for when the battery is charging and another for when it’s full.
- Impressive Electrical Specifications
- Voltage Range: It accepts an input voltage from 8V to 36V and can output anywhere from 1.25V to 32V.
- Current and Efficiency: The module can handle a maximum current of 5A and operates at an efficiency of up to 96%—that means less power is wasted as heat, making it great for high-current applications.
- PWM Frequency: It works at a 180kHz PWM frequency, ensuring stable and efficient power conversion.
- Compact Design and Easy Integration
Housed in a TO263-5L package, the XL4015 needs very few external components to work. This makes it ideal for compact designs, whether you’re building a portable device or a space-constrained industrial system. It also integrates an optimized power MOSFET, frequency compensation, and a fixed oscillator—all of which simplify circuit design while keeping voltage regulation stable.
XL4015 Application Scenarios
The application scenarios of the XL4015 adjustable buck circuit PCB diagram are very extensive. Here are some common technical application scenarios:
- Electronic Equipment Power Supply:Provide stable power for various electronic devices, such as smartphones, tablets, handheld devices, etc.
- Industrial Control:In industrial automation control systems, provide precise voltage for sensors, actuators, etc.
- Vehicle-mounted Power Supply:Used in vehicle-mounted electronic subsystems, such as vehicle-mounted navigation, vehicle-mounted entertainment, etc.
- Laboratory Research: In scientific research laboratories, used to provide adjustable power for experimental equipment.
- DIY Electronic Production:When electronic enthusiasts make various electronic products, they use this circuit to realize precise control of power supply.
XL4015 vs. LM2596: Detailed Comparison
While the XL4015 5A DC-DC buck converter module has proven itself as a formidable option for efficient, high-current buck conversion, in the realm of DC-DC buck module, the LM2596 is another popular products that often comes up in discussions. Let’s take a brief look at how these two stack up against each other to give you a clearer picture of their strengths and differences.
| Comparison Dimension | XL4015 | LM2596 |
|---|---|---|
| Output Current Capacity | 5A (constant) | 3A (constant) |
| Input Voltage Range | 8V – 36V | 4.5V – 40V |
| Switching Frequency | 180KHz | 150KHz |
| Maximum Efficiency | Up to 96% | Up to 95% |
| Dropout Voltage | 0.3V | 1.5V |
| Protection Features | Thermal shutdown, current limit, short-circuit protection | Overcurrent, thermal shutdown |
| Package Type | TO263-5L | TO220 |
| Application Suitability | High-current projects (5A), efficient voltage conversion | Medium-current projects (≤3A), general-purpose regulation |
| Cost-Effectiveness | Higher cost-performance for 5A loads | More affordable for low-to-medium current needs |
XL4015 Practical Project Examples
1.12V to 5V IoT Power Supply
- Goal:Convert a 12V battery input to 5V for powering Arduino Uno, sensors, and a Wi-Fi module.
- Components:XL4015 module, 220μF input capacitor, 47μH inductor, B540 diode, 330μF output capacitor, 3.3KΩ and 10KΩ resistors.
- Setup: Configure the feedback resistors for 5V output. Connect the 12V battery to VIN, and the IoT components to VOUT. The module’s 5A capacity easily handles the 200mA total current draw, with 87% efficiency reducing battery drain.
- Constant Current LED Driver
- Goal:Drive a 12V 3A LED strip with stable current to prevent burnout.
- Setup: Adjust the XL4015 for constant current mode by modifying the feedback network. Set the current limit to 3A using the formula derived from the datasheet. The module’s current limit function ensures consistent brightness and protects the LED strip from overcurrent.
- Automotive Power Converter
- Goal:Convert a car’s 12V/24V battery to 5V for charging smartphones and powering GPS devices.
- Advantage: The XL4015’s wide input range (8V-36V) works with both 12V and 24V automotive systems. Built-in short-circuit and thermal protection handle the harsh automotive environment, while high efficiency minimizes heat in the cramped dashboard space.
FAQs
How to calculate the output voltage of the XL4015?
Use the formula VOUT = 1.25*(1 + R2/R1), where R1 is the lower resistor (connected to GND) and R2 is the upper resistor (connected to VOUT) in the feedback divider. For example, R1=3.3KΩ and R2=10KΩ give VOUT=1.25*(1+10/3.3)≈5V.
Can the XL4015 be used as a step-up converter?
No. The XL4015 is a buck converter designed only for step-down (input voltage > output voltage) applications. For step-up needs, use a DC-DC boost converter like the XL6009.
What Schottky diode should I use with the XL4015?
Choose a diode with reverse voltage (VR) matching the maximum input voltage and current rating ≥5A. Recommended options include SB540 (5A/40V) or 1N5823 (5A/30V) for most applications.
Why is my XL4015 getting hot?
Overheating may occur due to insufficient heat dissipation, input-output voltage difference (large dropout), or overload. Add a heatsink, ensure proper PCB layout (thick ground plane), and stay within the 5A current limit.
Is the XL4015 compatible with the LM2596 footprint?
No. The XL4015 uses a TO263-5L package, while the LM2596 uses TO220. They are not pin-compatible, but the XL4015 can replace the LM2596 in circuits with minor layout adjustments—offering higher current and efficiency.